Ga direct naar de hoofdinhoud

 Elektronica: ontwerpen - bouw - reparatie - historie  

Buizentester

Inleiding

Op deze pagina de beschrijving van een chassis om buizen te meten. Het is een groeiproject dat telkenmale zal worden aangevuld. Eerst volgt hier een inleiding over het hoe en waarom. Bij het samenstellen hiervan sta ik graag open voor aanvullingen en verbeteringen. Het hele proces zal later nog in een PowerPointpresentatie worden samengevat.

Bij de aanschaf of ontwerp van een buizentester kun je bijv. de onderstaande overwegingen hebben.

1. Welke buizen willen we meten?          

2. Welke grootheden willen we meten?   

3. Meten we statisch of dynamisch?        

4. Is randapparatuur noodzakelijk?         

5. Wat is de beste buizentester?

(klik op de foto voor vergroting)                                      

In welke buizen zijn we geïnteresseerd?  Over het algemeen zullen dit buizen zijn uit radio-ontvangsttoestellen tussen de jaren '20- en '60. Voor de keuze heb ik mij echter wlillen beperken tot een 8-tal buisvoeten om het frame niet al te groot te maken. Daar komt bij dat mijn eigen belangstelling niet direct ligt bij de echte historische radio's, maar meer bij de 'modernere' uitvoeringen vanaf 1945.   Buisvoeten voor pennenbuizen zijn in het chassis daarom niet opgenomen. Overigens is het natuurlijk altijd mogelijk om voor de zgn. pennenvoeten losse adapters te maken. De grootheden zijn die uit het Amroh-buizenboek, waaronder de steilheid, versterkingsfactor, inwendige weerstand en emissiewaarde. Deze grootheden worden afgeleid uit de buiskarakteristieken zonder dat er een belastingsweerstand in de anodeleiding is aangebracht, zodat we ons vooralsnog bezig houden met de statische karakteristieken.      De randapparatuur die nodig is bij het bovenstaande chassis is:

a. Hoogspanningsvoeding (regelbaar tussen 0 en 300 volt)                                              

b. Laagspanningsvoeding (regelbaar tussen 0 en 30 volt voor negatieve roosterspanning)  

c. Een regeling voor de gloeistroom.                                                                              

d. Een stroom en een spanningsmeter. (0 tot 200 mA / 0 tot 300 volt)

Als antwoord op de laatste vraag: wat is nu de beste buizentester, kun je algemeen stellen dat dit het apparaat is waarin de buis wordt toegepast. Daar komt bij dat buizen die door een buizentester worden afgekeurd, in het apparaat zelf, vaak nog prima functioneren. Kortom, het dynamische toepassingsgebied is vaak anders dan de statische toestand die door een buizentester wordt gemeten en dat maakt de buizentester tot een apparaat dat je pas als laatste zou moeten aanschaffen. Voor mijn doelstelling kom ik dan slechts op twee aspecten waarop ik de buis zou wil beoordelen:

a. Is de kathode van voldoende kwaliteit om aan de emissie-eisen te voldoen?                  

b. is de karakteristiek voldoende recht om de buis in te kunnen instellen?

 

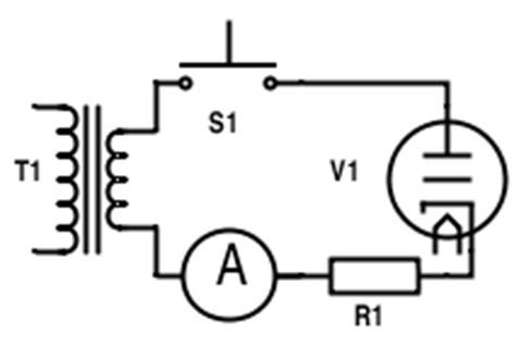
Meten van het Edison-effect en emissietest.

Vanuit het idee dat de kwaliteit van de kathode/gloeidraad beoordeeld zou kunnen worden aan de hand van het Edison-effect, heb ik hiervoor een vijftal gebruikte gelijkrichtbuizen PY88 gemeten volgens onderstaand schema.

Het schema toont wat op de bovenstaande foto in de praktijk wordt uitgevoerd. We zien op de meter een aanwijzing van 256 uA.      De waarden over de hele range van deze 5 buizen liepen echter sterk uiteen tussen 20 en 256 uA. Voldoende evidentie om te stellen dat de hierboven afgebeelde buis de beste kathode zou bezitten.

Dit blijkt echter niet juist te zijn. Het Edison-effect is sterk afhanke-lijk van de fabricage van de buis, vorm van de kathode, emitterend materiaal e.d. Dit maakt het Edison-effect ongeschikt als een valide emissietest. 

Edison-effect: Het verschijnsel, dat naar een metalen plaatje (anode) dat in de nabijheid van een gloeiende draad in een luchtledige ruimte is opgesteld, een elketronenstroom kan vloeien, is het eerst ontdekt door Edison en staat ook bekend als het Edison-effect.  De afgebeelde mA-meter moet een uA-meter zijn. (Bron: Rens & Rens)

Vijf buizen PY88 die zijn gebruikt bij de test. Bij de standaard-emissietest liep bij alle buizen een nagenoeg een gelijke anode-stroom van 40 mA, terwijl een meting met het Edison-effect grote verschillen liet zien.

 

 (Klik op de foto voor vergroting)

 

Standaard-emissietest

 

(wordt vervolgd)